
Rollformhub
Категории
Новые продукты
Автоматическая профилегибочная машина для производства С-образных прогонов Автоматическая машина для производства С-образных прогонов может легко изменить размер всего за одну минуту. Более
Полуавтоматическая профилегибочная машина для производства С-образных прогонов Полуавтоматический станок для изготовления С-образных прогонов может изменить размер за десять минут, что сэкономит ваше время и упростит эксплуатацию. Более
Металлический настил, изготовленный на профилегибочном станке, обладает высокой прочностью и большой длиной волны. Он хорошо сцепляется с бетоном. Он широко используется в высотных зданиях, что не только экономит стальную опалубку, но и снижает вес этажа.
номер товара:
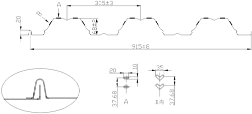
YX70-305-915Оплата:
FOB Referenceпроисхождение продукта:
ChinaЦвет:
Glay White+Blueпорт отправки:
Xiamen PortВремя выполнения:
30 Days
Основные технические параметры приведены исключительно для справки.
Чертеж профиля
Основные технические параметры :
Технические параметры |
Описание |
Толщина материала |
0,8-1,5 мм |
Ширина материала |
1219 мм |
Эффективная ширина |
915 мм |
Станция формования |
26 шаги |
Мощность двигателя |
37 кВт |
Масса |
17 000 кг |
Детали машин
1. Ролики для настилочных машин
Каждая машина имеет направляющую для подачи материала,
Корпус машины изготовлен из стали марки Н450 методом сварки;
Наши машинные ролики изготовлены из стали 45# на токарных станках с ЧПУ, имеют твердое хромовое покрытие.
Диаметр валов = ф95 мм, прецизионная обработка
2. Фрезер для столбов настила пола
Диапазон гидравлического давления: 0-16 МПа
Гидравлический двигатель: 4,0 кВт
Материал режущего инструмента: Cr12, термообработка
3.Защитный чехол для машины для настила пола (по вашему выбору)
4. Демонстрация продукции
5. Разматыватель
С гидравлическим разматывателем (опция)
Если у вас возникли проблемы при использовании сайта или наших продуктов, пожалуйста, напишите ваши комментарии или предложения, мы ответим на ваши вопросы как можно скорее! Спасибо за внимание!
Авторские права © 2015-2025 Rollformhub.Все права защищены.